Die BR 03.10 ist zeigt den Umbau einer analogen Märklin-Lok mithilfe unseres eigenen Adapters für PluX22 und dem CTC-Lokmodul-M3.
Hinweis: Von diesem Umbau gibt es auch ein YouTube-Video.
Das Lok-Gehäuse wird geöffnet, indem man die Schraube obern auf der Mitte des Kessels öffet. Der Tender ist ohen Funktion, d.h. es gibt auch kein Rücklicht.

Für diesen Umbau verwenden die “Adapterplatine_PluX22” und den “Umbausatz-Analog”. Als Lokmodul kommt das CTC-Lokmodul-M3 mit PluX22 Stecker zum Einsatz.
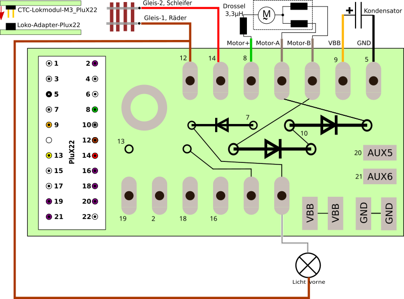
Der Verdrahtungsplan sieht dann so aus:

Aus dem Lok-Umbausatz-Analog benötigen die zwei schwarzten Dioden für die Feldspule sowie eine der beiden blauen Dioden für das Frontlicht. Sie werden auf die Adapterplatine gesteckt und dann verlötet. Dabei ist unbedingt auf die Position des Markierungsrings zu achten (siehe Bild).
An der Seite des Motors, die nicht mit der Feldspule verbunden ist bringen wir die Drossel an.
Dann löten wir noch das Kabel vom Frontlicht an die Adapterplatine an.
Als Letztes wird noch der Pufferkondensator angelötet (Plus orange, Minus schwarz).

Die Kabel sind:
- Mittelleiter rot
- Feldspule links/rechts grau
- Drossel am Motor grün
- Kondensator orange (Pluspol) und schwarz (Minuspol)
Den IR-Empfänger platzieren wir ganz vorne am Lokgehäuse. Das Loch im Gehäuse ist groß genug, d.h. wir können der IR-Empfänger ans Kabel löten bevor wir es durchfädeln.

Nun kann das CTC-Lokmodul-PluX22 auf den Adapter gesteckt und dann der IR-Empfänger auf das Lokmodul gesteckt werden:

Bevor wir die Lok wieder zusammenbauen setzten wir sie auf einen Rollenprüfstand. Dort konfigurieren wir das Lokmodul und testen, ob alles funktioneirt.
Licht-Configuration
Beim Licht wird im Unterschied zum normalen PluX22 der Pluspol geschaltet. Deshalb müssen wir nun noch in der Config der Lok das Licht (Light-conn) entfernen und dafür “Fahrlicht an 2x HalfBridge high (je 1 Lampe)” aus universell-loks.xml einfügen und anschließen.
Siehe dazu auch den Abschnitt “Licht-Konfiguration” vom Umbau der BR53.


